
产品型号: φ25橡胶福来轮 W-2515RB列
产品名称:φ25橡胶福来轮 W-2515RB合成橡胶流利条
>>说明
1.合成橡胶流利条的滚轮使用合成橡胶为材料。
2.滚轮直径:φ25、φ30、φ38、φ40、φ45
3.可以根据客户要求定做
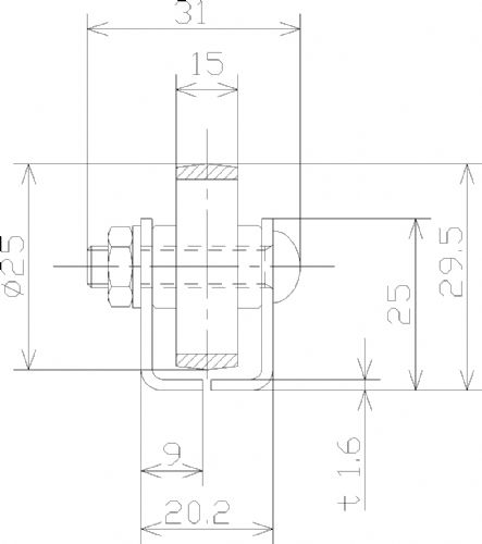
>>示意图

>>仕様表
(単位 mm)
型 号 | 福来轮尺寸 | 使用轴 |
W-2515RB | 25×15×6.2×17 | M6×27L |
框架尺寸 | 机高 | 全 長 | 福来轮中心距 | 弯道半径 | 单只福来轮承载(kg) | 参考 |
25×20.2×9×31×1.6 | 29.5 | 1,000・1,500・ | 30・35 | 1,000 | 30 | 滚轮为切削式福来轮 |