
产品型号: φ45橡胶福来轮 W-45RS系列
产品名称:φ45橡胶福来轮 W-45RS合成橡胶流利条
>>说明
1.合成橡胶流利条的滚轮使用合成橡胶为材料。
2.滚轮直径:φ30、φ38、φ40、φ45
3.可以根据客户要求定做
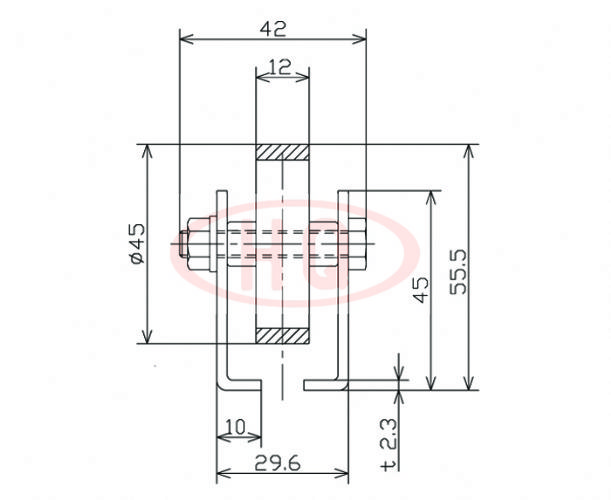
>>示意图

>>仕様表
(単位 mm)
型 号 | 福来轮尺寸 | 使用轴 |
W-45RS | 45×12×6.4×25 | M6×38L |
框架尺寸 | 机高 | 全 長 | 福来轮中心距 | 弯道半径 | 单只福来轮承载(kg) | 参考 |
45×29.6×10×42×2.3 | 55.5 | 1,800・2,400 | 50・75 | 1,000 | 10 | 滚轮为冲压式福来轮 |