
产品型号: R-TCN
产品名称:90度转弯型自由输送机
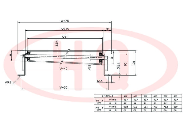
该型输送机为90度弧形转弯输送机,使用锥型滚筒,适用于输送机的转弯连接。
>>说明
1.转弯角度:90度
2.转弯半径:900mm
3.支架: 90mm槽钢
4.幅宽: 300mm~800mm
5.滚筒承重量:max约100kg
>>仕様表
(単位 mm)
| 滚 筒 幅 宽 W (mm) | 300 | 400 | 500 | 600 | 700 | 700 | 800 | ||
| 小径 A (mm) | 滚 筒 外 径 | 42.7 | 42.7 | 42.7 | 42.7 | 42.7 | 42.7 | 42.7 | |
| 壁 厚 | 3.2 | 3.2 | 3.1 | 3.1 | 3.2 | 3.2 | 3.1 | ||
| 大径 B (mm) | 滚 筒 外 径 | 56.8 | 61.3 | 66.4 | 71.3 | 76.2 | 76.2 | 80.0 | |
| 壁 厚 | 2.1 | 2.1 | 2.1 | 2.1 | 2.0 | 2.0 | 2.0 | ||
| 型 号 | 转弯半径 R | 轴外径(φ)×壁厚(t) 加工 | 支架形状I×K×t 输送机高(H) | 滚 筒 幅 宽 W | 滚筒间距 P (滚筒数) | 滚筒 角度 θ | 滚筒強度 (kg) | 输送机重量 (kg) | ||||||
| R-TCN | 900 | 12x1.0管 半圆 | [ 90×30×3.2 100 | 300~800 100递增 | 75(23)・100(18) 150(12) | 90° | 100 〔400W〕 | 55.7 〔400W ・ 75P〕 | ||||||
>>示意图

