
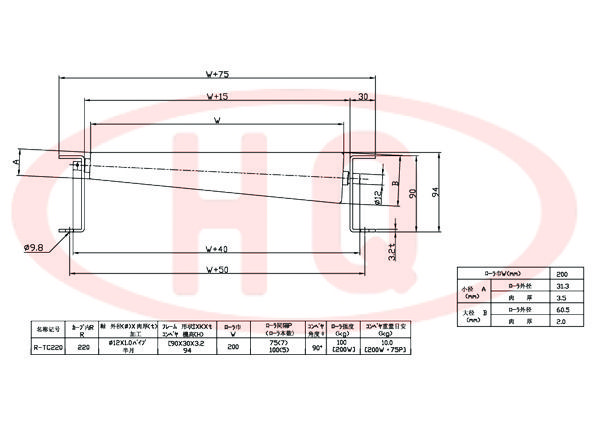
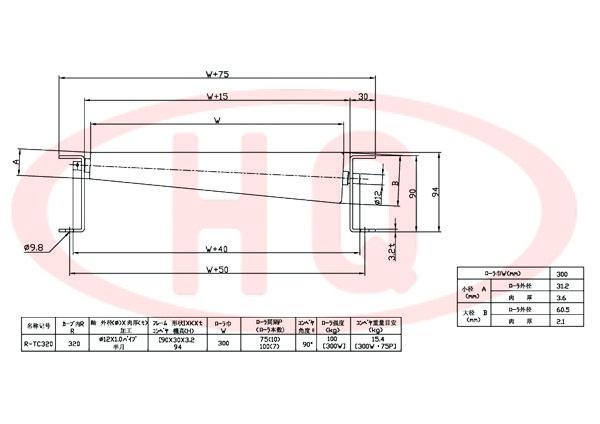
产品型号: R-TC220/320
产品名称:90度转弯型自由输送机
该型输送机为90度弧形转弯输送机,使用锥型滚筒,转弯半径小,适用于转弯空间窄小的输送机的转弯连接场合。
>>说明
1.转弯角度:90度
2.转弯半径:220、320mm
3.支架: 90mm槽钢
4.幅宽: 200mm、300mm
5.滚筒承重量:max约100kg
>>仕様表
(単位 mm)
| R-TC220 | R-TC320 | ||
| 滚 筒 幅 宽 W (mm) | 200 | 300 | |
| 小径 A (mm) | 滚筒外径 | 31.3 | 31.2 |
| 壁 厚 | 3.5 | 3.6 | |
| 大径 B (mm) | 滚筒外径 | 60.5 | 60.5 |
| 肉 厚 | 2.0 | 2.1 | |
| 型 号 | 转弯半径 R | 轴外径(φ)×壁厚(t) 加工 | 支架形状I×K×t 输送机高(H) | 滚筒幅宽 W | 滚筒间距 P (滚筒数) | 输送机 角度 θ | 滚筒強度 (kg) | 输送机重量 (kg) | ||||
| R-TC220 | 220 | 12×1.0管 半圆 | [ 90×30×3.2 94 | 200 | 75 (7) 100 (5) | 90° | 100 〔200W〕 | 10.0 〔200W・75P〕 | ||||
| R-TC320 | 320 | 12×1.0管 半圆 | [ 90×30×3.2 94 | 300 | 75(10) 100(7) | 90° | 100 〔300W〕 | 15.4 〔300W・75P〕 | ||||
>>示意图
R-TC220

R-TC320
