
产品型号: JR-3823
产品名称:Ø38树脂制自由输送机
滚筒和轴承均使用树脂成形材料,自重轻,防锈性能好,转动平稳。适用于有特殊要求的场合。
>>说明
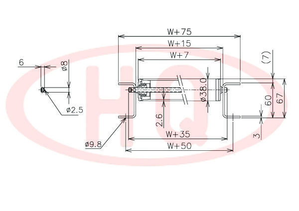
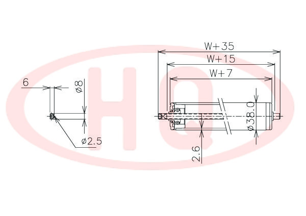
1.滚筒直径:Ø38mm(壁厚2.6mm)
2.支架: 60mm槽型铝材
3.幅宽: 100mm~1000mm
4.滚筒承重量: max约21kg
5.弹簧轴: ø8mm
>>仕様表
(単位 mm)
| 滚 筒 幅 宽 W (mm) | 100 | 200 | 300 | 400 | 500 | ||
| 滚筒承重强度 (kg) | 21.5 | 20.7 | 20 | 19.2 | 18.5 | ||
| 输送机重量 3,000L (kg) | 50P | 11.4 | 15.1 | 18.7 | 22.4 | 26.1 | |
| 75P | 9.6 | 12.2 | 14.8 | 17.3 | 19.9 | ||
| 滚筒(含轴)重量 (g) | 90 | 144 | 198 | 252 | 306 | ||
| 型 号 | 滚筒外径(φ)×壁厚(t) 轴承 | 轴外径(φ)×壁厚(t) 加工 | 支架形状I×K×t | 机 长 L | 滚筒幅宽 W | 滚筒间距 P | 转弯半径 R | |||||
| JR-3820B | 38×2.6 硬质氯乙烯橡胶 树脂成形轴承 | 8×0.8管 SUS 半圆 | [ 60×30×3 氧化铝 67 | 1000・1,500 2,000・3,000 | 100~500 任意尺寸 | 50・75 100・150 | 900 | |||||
>>示意图


