


产品型号: JR-5028
产品名称:Ø50树脂制自由输送机
滚筒和轴承均使用树脂成形材料,自重轻,防锈性能好,转动平稳。适用于有特殊要求的场合。
>>说明
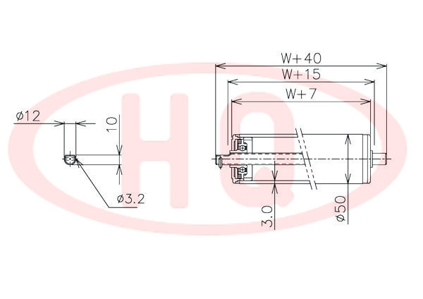
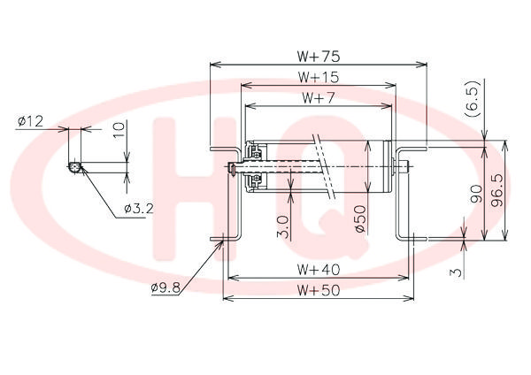
1.滚筒直径:Ø50mm(壁厚2.8mm)
2.支架: 90mm槽型铝材
3.幅宽: 100mm~1000mm
4.滚筒承重量: max约32kg
5.弹簧轴: ø10mm
>>仕様表
(単位 mm)
| 滚 筒 幅 宽 W (mm) | 100 | 200 | 300 | 400 | 500 | 600 | ||
| 滚筒承重强度 (kg) | 32 | 31 | 30 | 29.5 | 28.5 | 27.7 | ||
| 输送机重量 3,000L (kg) | 75P | 13.4 | 17.6 | 21.9 | 26.1 | 30.4 | 34.0 | |
| 100P | 11.9 | 15.2 | 18.5 | 21.8 | 25.1 | 27.7 | ||
| 滚筒(含轴)重量 (g) | 147 | 242 | 338 | 434 | 529 | 625 | ||
| 型 号 | 滚筒外径(φ)×壁厚(t) 轴承 | 轴外径(φ)×壁厚(t) 加工 | 支架形状I×K×t | 机 长 L | 滚筒幅宽 W | 滚筒间距 P | 转弯半径 R | |||||
| JR-5028 | 50×2.8 硬质氯乙烯橡胶 树脂成形轴承 | (8,10)12×1.0管 SUS 半圆 | [ 90×30×3 氧化铝 96.5 | 1000・1,500 2,000・3,000 | 100~600 任意尺寸 | 75・100 150・200 | 900 | |||||
>>示意图




