
产品型号: R-5721P
产品名称:Ø57钢制滚筒自由输送机
>>说明
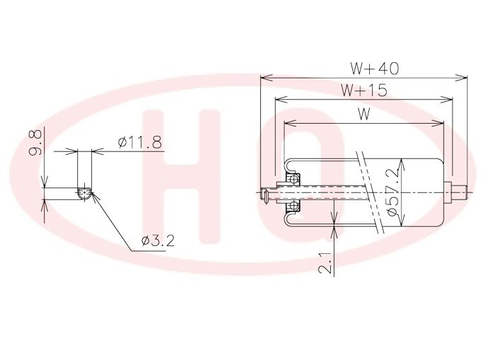
1.滚筒直径: Ø57mm(壁厚2.1mm)
2.支架: 90mm槽钢
3.幅宽: 100mm~1000mm
4.承重量: max约280kg(100W时)
5.轴承: 专用冲压轴承
>>仕样表:
| 滚筒幅宽W(mm) | 100 | 200 | 300 | 400 | 500 | 600 | 700 | 800 | 900 | 1,000 | |||
| 输送机幅宽W+75(mm) | 175 | 275 | 375 | 475 | 575 | 675 | 775 | 875 | 975 | 1,075 | |||
| 滚筒承重强度(kg) | 280 | 245 | 210 | 180 | 145 | 120 | 110 | 95 | 85 | 72 | |||
| 输送机重量 3,000L (kg) | 75P | 41.2 | 54.1 | 66.9 | 79.8 | 92.5 | 108.6 | 121.6 | 127.8 | 148.1 | 161.3 | ||
| 100P | 36.2 | 46.0 | 55.8 | 65.6 | 75.2 | 88.1 | 98.1 | 108.3 | 110.8 | 128.4 | |||
| 滚筒(含轴)重量(g) | 456 | 753 | 1035 | 1318 | 1611 | 1886 | 2156 | 2454 | 2767 | 3033 | |||
>>示意图:




