
产品型号: R-5721 R-5726
产品名称:Ø57钢制滚筒自由输送机
>>说明
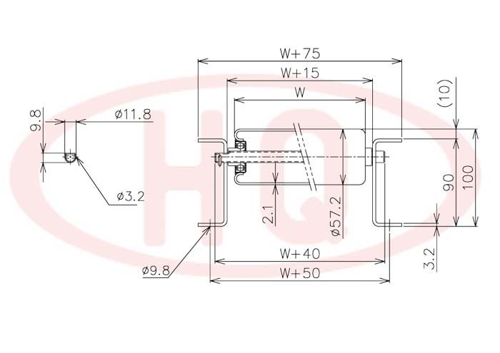
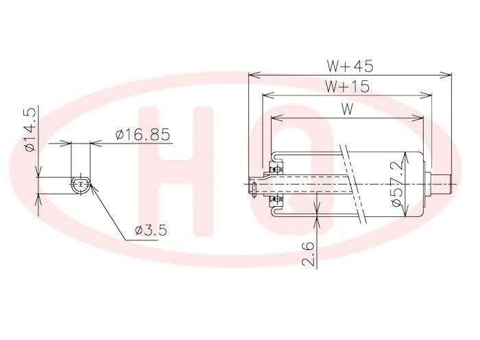
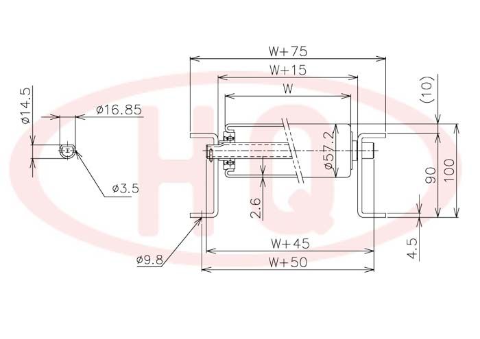
1.滚筒直径:Ø57mm(壁厚2.1mm)
2.支架: 90mm槽钢
3.幅宽: 100mm~1000mm
4.承重量: max约280kg
>>仕样表
R-5721
(单位 mm)
| 滚 筒 幅 宽 W (mm) | 100 | 200 | 300 | 400 | 500 | 600 | 700 | 800 | 900 | 1,000 | ||
| 输送机幅宽 W+75 (mm) | 175 | 275 | 375 | 475 | 575 | 675 | 775 | 875 | 975 | 1,075 | ||
| 滚筒承重强度 (kg) | 280 | 245 | 210 | 180 | 145 | 120 | 110 | 95 | 85 | 72 | ||
| 输送机重量 3,000L (kg) | 75P | 39.5 | 51.9 | 64.3 | 76.8 | 89.2 | 103.0 | 115.4 | 127.8 | 140.2 | 152.6 | |
| 100P | 35.0 | 44.4 | 53.8 | 63.3 | 72.7 | 83.5 | 92.9 | 102.3 | 111.7 | 121..1 | ||
| 滚筒(含轴)重量 (g) | 450 | 750 | 1,050 | 1,350 | 1,650 | 1,950 | 2,250 | 2,550 | 2,850 | 3,150 | ||
R-5726
| 滚 筒 幅 宽 W (mm) | 100 | 200 | 300 | 400 | 500 | 600 | 700 | 800 | 900 | 1,000 | |
| 输送机幅宽 W+75 (mm) | 175 | 275 | 375 | 475 | 575 | 675 | 775 | 875 | 975 | 1,075 | |
| 滚筒承重强度 (kg) | 390 | 360 | 328 | 280 | 224 | 177 | 160 | 132 | 112 | 104 | |
| 输送机重量 3,000L (kg) | 75P | 56.5 | 74.0 | 91.6 | 109.1 | 126.6 | 139.9 | 157.5 | 175.0 | 192.6 | 210.0 |
| 100P | 50.3 | 63.5 | 76.9 | 90.2 | 103.4 | 112.5 | 125.9 | 139.1 | 152.5 | 165.7 | |
| 滚筒(含轴)重量 (g) | 624 | 1,047 | 1,470 | 1,893 | 2,316 | 2,739 | 3,162 | 3,585 | 4,009 | 4,432 | |
>>示意图
R-5721





>>示意图
R-5726




