
产品型号: R-6023
产品名称:Ø60钢制滚筒自由输送机
>>说明
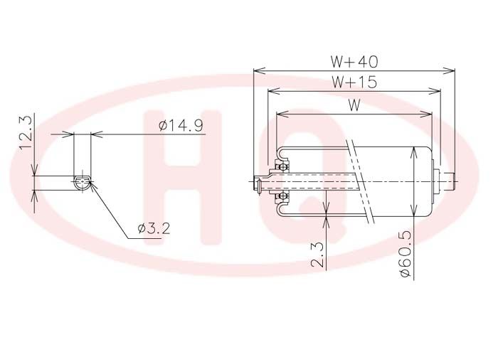
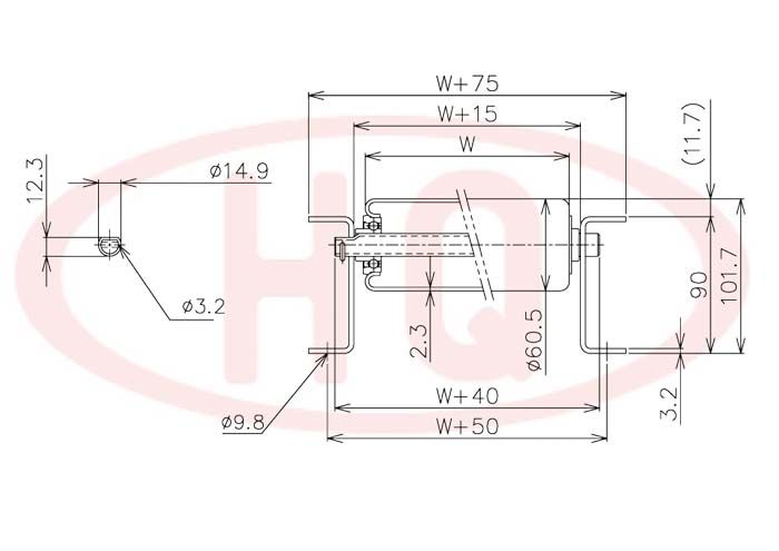
1.滚筒直径:Ø60mm(壁厚2.3mm)
2.支架: 90mm槽钢
3.幅宽: 100mm~1000mm
4.承重量: max约370kg
>>仕样表
(单位 mm)
| 滚 筒 幅 宽 W (mm) | 100 | 200 | 300 | 400 | 500 | 600 | 700 | 800 | 900 | 1,000 | ||
| 输送机幅宽 W+75 (mm) | 175 | 275 | 375 | 475 | 575 | 675 | 775 | 875 | 975 | 1,075 | ||
| 滚筒承重强度 (kg) | 376 | 345 | 293 | 250 | 200 | 158 | 143 | 117 | 100 | 93 | ||
| 输送机重量 3,000L (kg) | 75P | 45.4 | 63.4 | 81.4 | 99.4 | 117.4 | 135.4 | 153.4 | 171.4 | 189.4 | 207.4 | |
| 100P | 39.8 | 53.4 | 67.0 | 80.6 | 94.2 | 107.8 | 121.4 | 135.0 | 148.6 | 162.2 | ||
| 滚筒(含轴)重量 (kg) | 0.6 | 1.0 | 1.4 | 1.9 | 2.3 | 2.8 | 3.2 | 3.6 | 4.1 | 4.5 | ||
>>示意图




