
产品型号: HRC-7610
产品名称:Ø76钢制滚筒自由输送机
>>说明
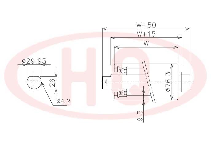
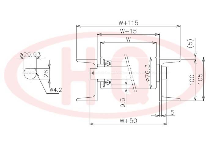
1.滚筒直径:Ø76mm(壁厚9.5mm)
2.支架: 100mm槽钢
3.幅宽: 100mm~1000mm
4.轴直径: ø30mm
>>仕样表
(单位 mm)
| 100 | 200 | 300 | 400 | 500 | 600 | 700 | 800 | 900 | 1,000 | |||
| 输送机幅宽 W+75 (mm) | 215 | 315 | 415 | 515 | 615 | 715 | 815 | 915 | 1015 | 1115 | ||
| 滚筒承重强度 (kg) | 2000 | 2000 | 2000 | 2000 | 2000 | 2000 | 1842 | 1605 | 1432 | 1276 | ||
| 输送机重量 3,000L (kg) | 200P | 86.5 | 108.2 | 130 | 151.6 | 173 | 195.0 | 216.6 | 238.3 | 260.0 | 281.7 | |
| 300P | 77.7 | 93.1 | 108.4 | 124 | 139 | 154 | 170 | 185.2 | 201 | 215.9 | ||
| 滚筒(含轴)重量 (kg) | 2.9 | 5.0 | 7.2 | 9.3 | 11.4 | 13.5 | 15.6 | 17.7 | 19.8 | 21.9 | ||
>>示意图


