
产品型号: R-2812P(冲压轴承)
R-2812 (切削轴承)
产品名称:Ø28钢制滚筒自由输送机
小直径滚筒输送机。适合于搬运轻、小物品的场合。
>>说明
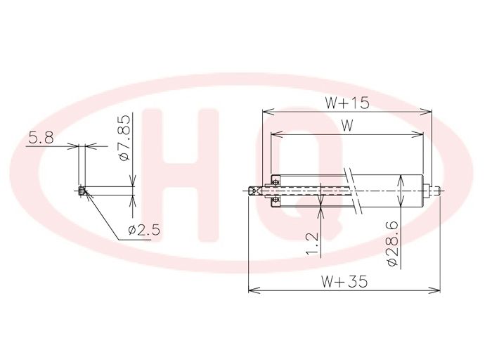
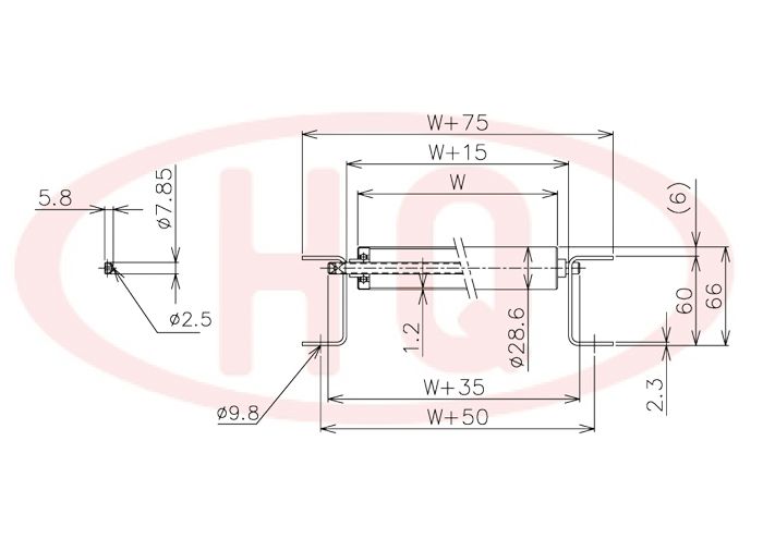
1.滚筒直径:Ø28mm
2.支架: 60mm槽钢
3.幅宽: 100mm~500mm
4.承重量: max约120kg
>>仕样表
(单位:mm)
| 滚 筒 幅 宽 W (mm) | 100 | 200 | 300 | 400 | 500 | |
| 输送机幅宽 W+75 (mm) | 175 | 275 | 375 | 475 | 575 | |
| 滚筒承重强度 (kg) | 63 | 54 | 35 | 30 | 21 | |
| 输送机重量 3,000L (kg) | 25P | 25.8 | 34.1 | 42.3 | 50.5 | 58.8 |
| 30P | 23.6 | 30.6 | 37.5 | 44.4 | 51.4 | |
| 滚筒(含轴)重量(g) | 110 | 175 | 240 | 305 | 370 | |
>>示意图




