
产品型号: R-4814P
产品名称:Ø48钢制滚筒自由输送机
>>说明
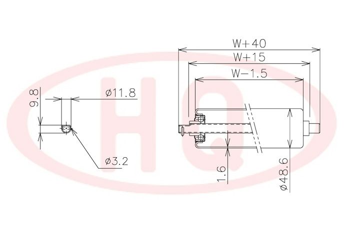
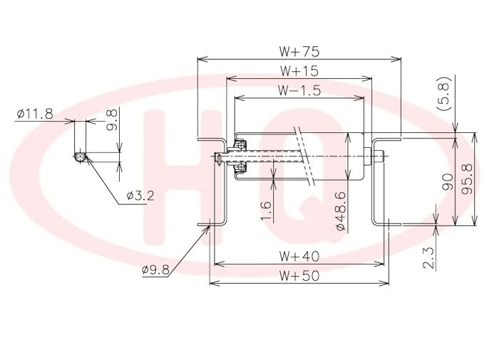
1.滚筒直径:Ø48.5mm*t1.4mm
2.支架: 90mm槽钢
3.幅宽: 100mm~1000mm
4.承重量: max约175kg(100W时)
5.轴承: 专用冲压轴承
>>仕样表
(单位 mm)
| 滚 筒 幅 宽 W (mm) | 100 | 200 | 300 | 400 | 500 | 600 | 700 | 800 | 900 | 1,000 | ||
| 输送机幅宽 W+75 (mm) | 175 | 275 | 375 | 475 | 575 | 675 | 775 | 875 | 975 | 1,075 | ||
| 滚筒承重强度 (kg) | 175 | 168 | 147 | 109 | 87 | 72 | 62 | 54 | 48 | 43 | ||
| 输送机重量 3,000L (kg) | 75P | 29.5 | 37.5 | 45.5 | 53.6 | 61.6 | 72.6 | 80.9 | 89.3 | 97.5 | 105.9 | |
| 100P | 26.1 | 32.2 | 38.3 | 44.5 | 50.6 | 59.7 | 66.2 | 72.6 | 79.0 | 82 | ||
| 滚筒(含轴)重量 (g) | 347 | 564 | 754 | 955 | 1,162 | 1,368 | 1,560 | 1,728 | 1,932 | 2,156 | ||
>>示意图



