x
在线咨询
姓名:
*
公司:
邮箱:
*
留言信息
x
您好!欢迎来到无好博官方网站官方网站!
0510-85581519
收藏我们
|
联系我们
|
网站地图
选择语言:
专业的皮带输送机解决方案供应商!
好博(中国)股份有限公司
公司介绍
产品展示
滚筒、滚筒输送机
无动力钢制滚筒 输送机
无动力铝制滚筒 输送机
无动力不锈钢滚筒 输送机
无动力树脂滚筒 输送机
无动力低噪音滚筒 输送机
无动力锥形滚筒 输送机
电动滚筒/输送机
各种滚筒
皮带机托辊组
输送机配件
周边设备
滚筒输送机案例
皮带输送机
TYPE34皮带输送机
TYPE60皮带输送机
TYPE90皮带输送机
CⅡ转弯皮带输送机
中量型皮带输送机
重量型皮带输送机
其他类型皮带机
皮带机案例
皮带输送机配件
驱动输送机
单排链滚筒输送机
双排链滚筒输送机
单排链弯道滚筒输送机
双排链弯道滚筒输送机
积放滚筒输送机
链板机
排屑机
链条输送机
各种动力滚筒
其他机种
驱动输送机案例
流利条/福来轮
冲压福来轮流利条
切削福来轮流利条
树脂福来轮流利条
橡胶福来轮流利条
铝合金支架流利条
滚筒式流利条
不锈钢流利条
钣金流利条
福来轮/万向球
其他类型流利条
物流台车
铁底板物流台车
树脂底板物流台车
双开门物流台车
滚筒式台车
六轮车
其他物流台车
仓储周转设备
货架
模具架
托盘式货架
驶入式货架
窄巷式货架
搁板式货架
阁楼式货架
流利式货架
悬臂式货架
重力式货架
后推式货架
移动式货架
自动立体仓储系统
工位器具
托盘
金属工业框
巧固架/X架
其他周转设备
各种小推车
塑料周转箱
其他类别
流水线
铝缸体缸盖机加线
地面辊道缓存线
变压器生产流水线
立体仓库
案例介绍
流水线
滚筒输送机案例
皮带机案例
物流台车案例
仓库笼案例
重型滚筒案例
滚筒类产品案例
货架案例
新闻动态
在线订购
联系我们
常见问题
在线下载
Category
滚筒、滚筒输送机
无动力钢制滚筒 输送机
无动力铝制滚筒 输送机
无动力不锈钢滚筒 输送机
无动力树脂滚筒 输送机
无动力低噪音滚筒 输送机
无动力锥形滚筒 输送机
电动滚筒/输送机
各种滚筒
皮带机托辊组
输送机配件
周边设备
滚筒输送机案例
ø38静音滚筒 R-3823NB
好博(中国)股份有限公司
〉
产品展示
〉
滚筒、滚筒输送机
〉
无动力低噪音滚筒 输送机
〉ø38静音滚筒 R-3823NB
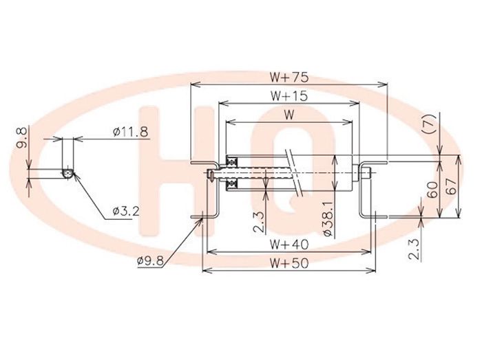
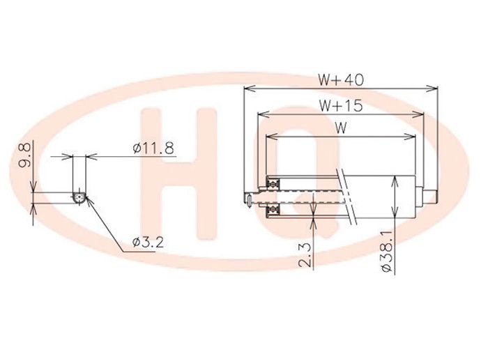
ø38静音滚筒 R-3823NB
产品型号:R-3823NB
产品名称:ø38低噪音滚筒&滚筒输送机
>>仕样
滚筒宽 W(mm)
100
200
300
400
500
600
700
输送机宽 W+75(mm)
175
275
375
475
575
675
775
滚筒强度(kg)
180
180
149
116
100
85
64
输送机重量 3000L(kg)
50P
33.3
54.5
61.6
75.6
89.7
105
118
75P
24
36.4
40.4
48.5
56.7
66.1
73.1
>>示意图
返回目录
公司介绍
公司介绍
产品展示
滚筒、滚筒输送机
皮带输送机
驱动输送机
流利条/福来轮
物流台车
仓储周转设备
货架
工位器具
其他类别
流水线
案例介绍
案例介绍
联系我们
联系我们
扫一扫加微信
好博(中国)股份有限公司
公司介绍
无动力钢制滚筒 输送机
无动力铝制滚筒 输送机
无动力不锈钢滚筒 输送机
无动力树脂滚筒 输送机
无动力低噪音滚筒 输送机
无动力锥形滚筒 输送机
电动滚筒/输送机
各种滚筒
皮带机托辊组
输送机配件
周边设备
滚筒输送机案例
皮带输送机
TYPE34皮带输送机
TYPE60皮带输送机
TYPE90皮带输送机
CⅡ转弯皮带输送机
中量型皮带输送机
重量型皮带输送机
其他类型皮带机
皮带机案例
皮带输送机配件
驱动输送机
单排链滚筒输送机
双排链滚筒输送机
单排链弯道滚筒输送机
双排链弯道滚筒输送机
积放滚筒输送机
链板机
排屑机
链条输送机
各种动力滚筒
其他机种
驱动输送机案例
流利条/福来轮
冲压福来轮流利条
切削福来轮流利条
树脂福来轮流利条
橡胶福来轮流利条
铝合金支架流利条
滚筒式流利条
不锈钢流利条
钣金流利条
福来轮/万向球
其他类型流利条
物流台车
铁底板物流台车
树脂底板物流台车
双开门物流台车
滚筒式台车
六轮车
其他物流台车
仓储周转设备
模具架
托盘式货架
驶入式货架
窄巷式货架
搁板式货架
阁楼式货架
流利式货架
悬臂式货架
重力式货架
后推式货架
移动式货架
自动立体仓储系统
工位器具
托盘
金属工业框
巧固架/X架
其他周转设备
各种小推车
塑料周转箱
其他类别
流水线
铝缸体缸盖机加线
地面辊道缓存线
变压器生产流水线
立体仓库
在线订购
联系我们
在线下载
好博(中国)股份有限公司
产品中心
案例介绍
一键拨打
奇异果·电子(中国)官方网站
|
压球手机在线官网
|
华体会体育网页版
|
江南平台
|
米兰体育平台
|
乐竞官网_乐竞(中国)一站式服务平台
|
B体育官方网站
|
球友会网页版_球友会(中国)官方
|
安博在线平台
|