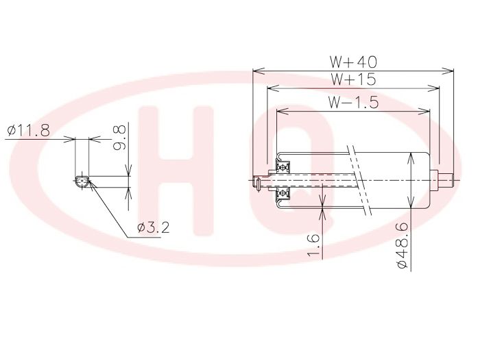
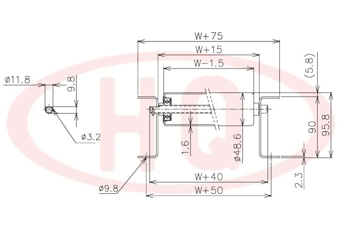
产品型号:R-4814NB

产品名称:ø48低噪音滚筒&滚筒输送机
>>仕样
| 滚筒宽 W(mm) | 100 | 200 | 300 | 400 | 500 | 600 | 700 | 800 | 900 | 1000 | |
| 输送机宽 W+75(mm) | 175 | 275 | 375 | 475 | 575 | 675 | 775 | 875 | 975 | 1075 | |
| 滚筒强度(kg) | 175 | 168 | 147 | 109 | 87 | 72 | 62 | 54 | 48 | 43 | |
| 输送机重量 3000L(kg) | 75P | 29.5 | 37.5 | 45.5 | 53.6 | 61.6 | 72.6 | 80.9 | 89.3 | 97.5 | 105.9 |
| 100P | 26.1 | 32.2 | 38.3 | 44.5 | 50.6 | 59.7 | 66.2 | 72.6 | 79.0 | 82.0 | |
>>示意图



