
产品型号: RS-1912
产品名称:Ø19不锈钢制自由输送机
滚筒使用不锈钢材料,防锈性能好。滚筒直径小,适用于轻小物品的搬运。
>>说明
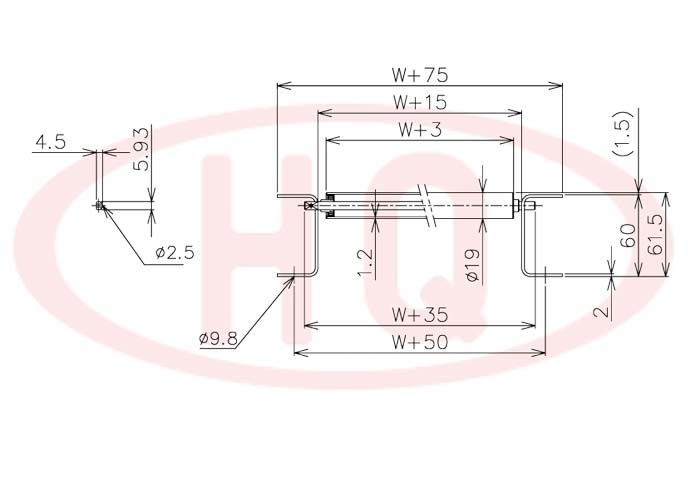
1.滚筒直径:Ø19mm(壁厚1.2mm)
2.支架: 60mm槽钢
3.幅宽: 100mm~500mm
4.承重量: max约44kg
>>仕様表
(単位 mm)
| 滚 筒 幅 宽 W (mm) | 100 | 200 | 300 | 400 | 500 | ||
| 滚筒承重强度 (kg) | 44 | 38 | 25 | 20 | 15 | ||
| 输送机重量 3,000L (kg) | 25P | 25.6 | 33.4 | 41.3 | 49.1 | 57.0 | |
| 30P | 21.5 | 27.2 | 32.9 | 38.7 | 44.4 | ||
| 滚筒(含轴)重量 (g) | 102 | 155 | 208 | 261 | 314 | ||
| 型 号 | 滚筒外径(φ)×壁厚(t) 轴承 | 轴外径(φ)×壁厚(t) 加工 | 支架形状I×K×t 输送机高(H) | 机 长 L | 滚筒 幅 宽 W | 滚筒间隔 P | 转弯半径R R | ||||||
| RS-1912 | 19×1.2 SUS304 冲压轴承 | 6 圆棒 SUS 半月 | [ 60×30×2 SUS304 61.5 | 1,000・2,000 3,000 | 100~500 任意尺寸 | 25・30 40 | 900 | ||||||
>>示意图



