
产品型号: RS-5715
产品名称:Ø57不锈钢制自由输送机
滚筒使用不锈钢材料,防锈性能好。滚筒承重大,适用于重量物品的搬运。
>>说明
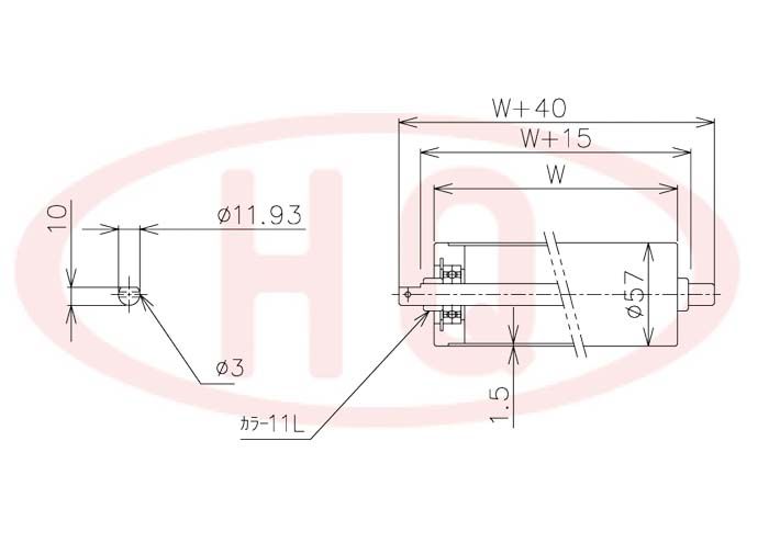
1.滚筒直径:Ø57mm(壁厚1.5mm)
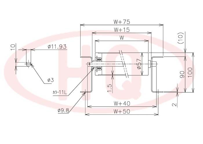
2.支架: 90mm槽钢
3.幅宽: 100mm~800mm
4.承重量: max约128kg
>>仕様表
(単位 mm)
| 滚 筒 幅 宽 W (mm) | 100 | 200 | 300 | 400 | 500 | 600 | 700 | 800 | ||
| 滚筒承重强度 (kg) | 128 | 112 | 96 | 80 | 63 | 52 | 47 | 43 | ||
| 输送机重量 3,000L (kg) | 75P | 31.7 | 40.9 | 46.1 | 55.4 | 64.6 | 73.2 | 82.4 | 87.6 | |
| 100P | 27.3 | 34.3 | 38.3 | 45.4 | 52.4 | 58.8 | 65.8 | 69.8 | ||
| 滚筒(含轴)重量 (g) | 428 | 628 | 828 | 1,028 | 1,228 | 1,428 | 1,628 | 1,828 | ||
| 型 号 | 滚筒外径(φ)×壁厚(t) 轴承 | 轴外径(φ)×壁厚(t) 加工 | 支架形状I×K×t 输送机高(H) | 机 长 L | 滚筒幅 宽 W | 滚筒间隔 P | 转弯半径 R | ||||||
| RS-5715 | 57×1.5 SUS304 | 12圆棒 SUS 半圆 | [ 90×30×2 SUS304 100 | 1000・2,000 3,000 | 100~800 50递增 | 75・100 150 | 900 | ||||||
>>示意图



