

产品型号: Ø26树脂福来轮 W-26PS(内)系列
产品名称:Ø26树脂福来轮 W-26PS(内)树脂滚轮流利条
树脂滚轮流利条的滚轮使用树脂材料,可以是单列或者双列。
>>说明
1.滚轮直径:Ø26、Ø36、Ø38、Ø45
2.可以根据客户要求定做。
>>仕様表
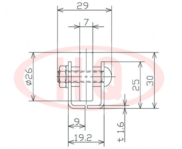
(単位 mm)
| 区分 | 型 式 | 滚轮尺寸 外径×幅宽×軸径×缝宽 D W d b | 使用轴 | 支架形状 形状h×W1×W2×W3×t | 机高 H | 全 长 L | 滚轮间距 P | 回转半径 R | 单滚轮承重强度(kg) | 截面形式 | ||
| 小径 | W-26PS | 26×8×6×10 | M6×20L | 25×28×9×24×1.6 | 30 | 1,000・1,500 2,000 | 30・35 | 1,000 1,200 | 30 | C | ||
| TS型 | W-38GS | 38×12×6×27 | M6×38L | 45×31.6×10×42×2.3 | 52 | 1,800・2,400 3,000 | 50・75 100・150 | 1,000 1,200 | 30 | A | ||
| BOX型 | WB-36PS | 36×9×8×28 | M8×40L | 42.3×60×32×45× | 1.6 | 49 | 1,800・2,400 3,000 | 50・75 100 | — | 10 | F | |
| 2.3 | ||||||||||||
| S系列 | SW-38GS | 38×12×6×27 | M6×38L | 45×31×8.5×42×1.8 | 53 | 1,800・2,400 3,000 | 50・75 100・150 | 1,000 1,200 | 30 | G | ||
| 标准型 | W-36PS | 36×9×8×28 | M8×40L | 42.3×60×32.2×45×2.3 | 47 | 1,800・2,400 3,000 | 50・75 100・150 | 1,000 1,200 | 10 | J | ||
| 标准型 | W-36PW | 36×9×8×14 | M8×55L | 46.3×60×33×71× | 1.6 | 52 | 1,800・2,400 3,000 | 50・75 100・150 | 1,000 1,200 | 10 | K | |
| 2.3 | ||||||||||||
| 标准型 | W-45UW | 45×16×8×22 | M8×65L | 46.3×60×33×87× | 1.6 | 57 | 1,800・2,400 3,000 | 50・75 100・150 | 1,000 1,200 | 25 | K | |
| 2.3 | ||||||||||||
>>示意图
