
产品型号: φ20福来轮 W-BS系列
产品名称:φ20福来轮 W-20100BS切削式滚轮流利条
切削式滚轮流利条使用切削滚轮、福来轮、滚筒等,形式多样。
>>说明
1.滚轮直径:φ20
2.可以根据客户要求定做。
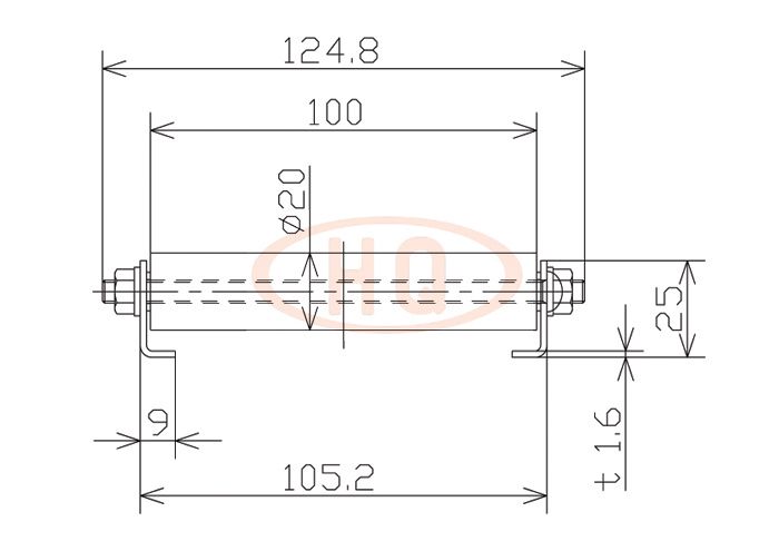
>>示意图
>>仕様表
(単位 mm)
型 号 | 福来轮尺寸 | 使用轴 |
W-20100BS | 20×100×6.2×102 | M6 ×115L |
框架尺寸 | 机高 | 全 長 | 福来轮中心距 | 弯道半径 | 单只福来轮承载(kg) | 参考 |
25×105.2×9×124.8×1.6 | 27 | 1,000・1,500 | 25・30・35 | 1,000 | 50 | W型轴承 |