
产品型号:φ25福来轮 W-BS系列
产品名称:φ25福来轮 W-2523BS切削式滚轮流利条
切削式滚轮流利条使用切削滚轮、福来轮、滚筒等,形式多样。
>>说明
1.滚轮直径:φ25
2.可以根据客户要求定做。
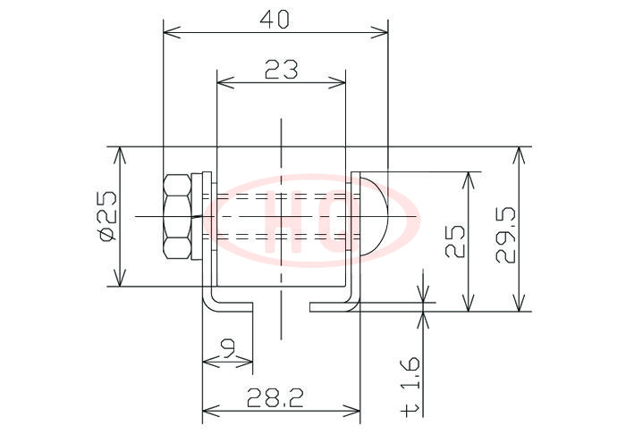
>>示意图
>>仕様表
(単位 mm)
型 号 | 福来轮尺寸 | 使用轴 |
W-2523BS | 25×23×8.2×25 | M8 ×35L |
框架尺寸 | 机高 | 全 長 | 福来轮中心距 | 弯道半径 | 单只福来轮承载(kg) | 参考 |
25×28.2×9×40×1.6 | 29.5 | 1,000・1,500 | 30・35 | 1,000 | 50 | 宽幅型 |