
产品型号: W-30BSO系列
产品名称:φ30福来轮 W-30BSO切削式滚轮流利条
切削式滚轮流利条使用切削滚轮、福来轮、滚筒等,形式多样。
>>说明
1.滚轮直径:φ30
2.可以根据客户要求定做。
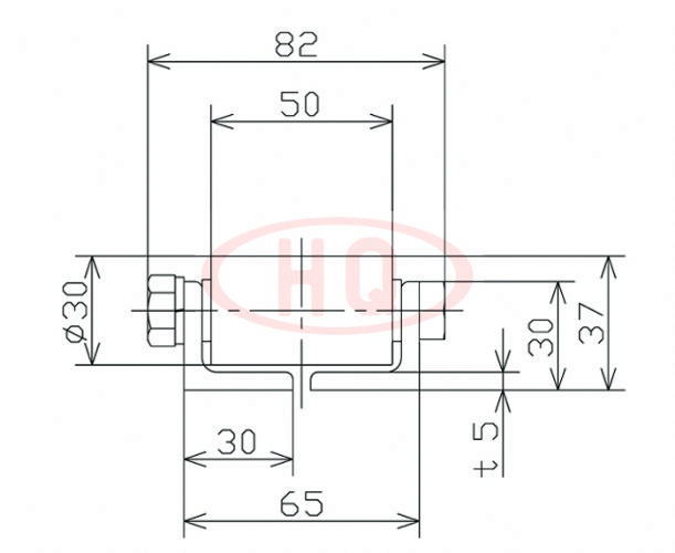
>>示意图

>>仕様表
(単位 mm)
型 号 | 福来轮尺寸 | 使用轴 |
W-30BSO | 30×50×10.5×55 | M10 ×75L |
框架尺寸 | 机高 | 全 長 | 福来轮中心距 | 弯道半径 | 单只福来轮承载(kg) | 参考 |
30×65×30×82×5 | 37 | 1,000~3,000 | 30・35 | - | 160 | 宽幅型 |