
产品型号: W-30BSH系列
产品名称:φ30福来轮 W-30BSH切削式滚轮流利条
切削式滚轮流利条使用切削滚轮、福来轮、滚筒等,形式多样。
>>说明
1.滚轮直径:φ30
2.可以根据客户要求定做。
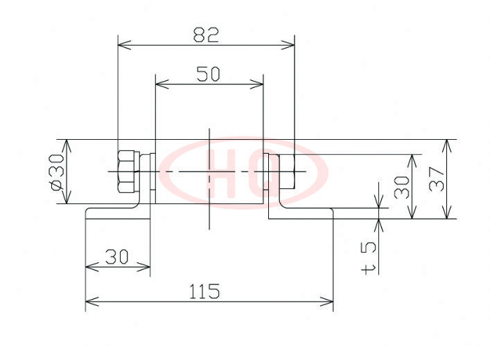
>>示意图

>>仕様表
(単位 mm)
型 号 | 福来轮尺寸 外径×宽×轴径×内圈长 D W d b | 使用轴 |
W-30BSH | 30×50×10.5×55 | M10 ×75L |
框架尺寸 形状h×W1×W2×W3×t | 机高 H | 全 長 L | 福来轮中心距 P | 弯道半径 R | 单只福来轮承载(kg) | 参考 |
30×115×30×82×5 | 37 | 1,000~3,000 500递增 | 30・50 | - | 160 | 重荷重类型 |