
产品型号: φ36福来轮 W-BS系列
产品名称:φ36福来轮 W-36BS切削式滚轮流利条
切削式滚轮流利条使用切削滚轮、福来轮、滚筒等,形式多样。
>>说明
1.滚轮直径:φ36
2.可以根据客户要求定做。
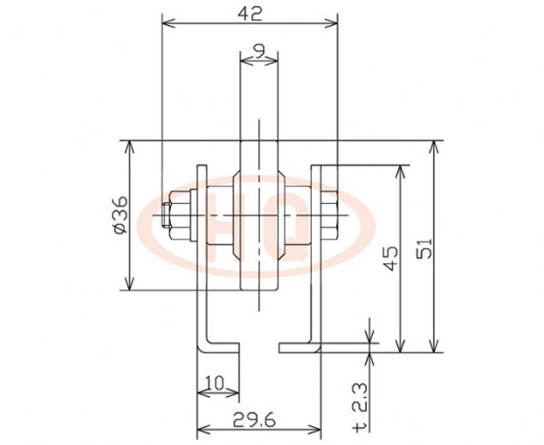
>>示意图
>>仕様表
(単位 mm)
型 号 | 福来轮尺寸 | 使用轴 |
W-36BS | 36×9×6.2×25 | M6 ×38L |
框架尺寸 | 机高 | 全 長 | 福来轮中心距 | 弯道半径 | 单只福来轮承载(kg) | 参考 |
45×29.6×10×42×2.3 | 51 | 1,800・2,400 | 50・75 | 1,000 | 40 |