您好!欢迎来到无好博官方网站官方网站!
选择语言:

专业的皮带输送机解决方案供应商!

Category

流利条/福来轮

φ36福来轮 WB-36BS

φ36福来轮 WB-36BS

φ36福来轮 WB-36BS

产品型号: WB-36BS系列

产品名称:φ36福来轮 WB-36BS切削式滚轮流利条

切削式滚轮流利条使用切削滚轮、福来轮、滚筒等,形式多样。

>>说明

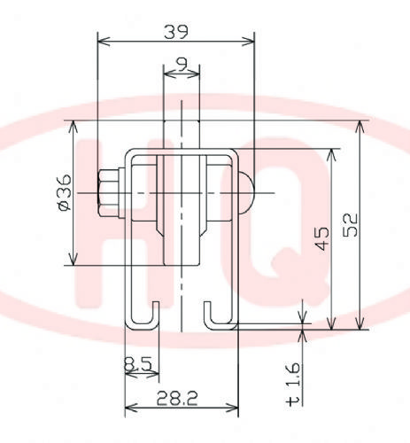
1.滚轮直径:φ36

2.可以根据客户要求定做。

>>示意图

 

>>仕様表


型   号

福来轮尺寸
外径×宽×轴径×内圈长
D      W      d      b

使用轴

WB-36BS

36×9×6.2×25

 M6 ×35L


 


框架尺寸
形状h×W1×W2×W3×t

机高

全 長

福来轮中心距
P

弯道半径
R

单只福来轮承载(kg)

参考

 45×28.2×8.5×39×1.6

52

1,800・2,400
3,000

50・75
100

-

40



公司介绍

案例介绍

联系我们

扫一扫加微信

好博(中国)股份有限公司 产品中心 案例介绍 一键拨打