您好!欢迎来到无好博官方网站官方网站!
选择语言:

专业的皮带输送机解决方案供应商!

Category

流利条/福来轮

φ36福来轮 W-36BW

φ36福来轮 W-36BW

φ36福来轮 W-36BW

产品型号: W-36BW系列

产品名称:φ36福来轮 千鸟型切削式滚轮流利条

切削式滚轮流利条使用切削滚轮、福来轮、滚筒等,形式多样。

>>说明

1.滚轮直径:φ36

2.可以根据客户要求定做。

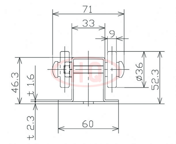
>>示意图

>>仕様表

(単位 mm)


型   号

福来轮尺寸
外径×宽×轴径×内圈长
D      W      d      b

使用轴

W-36BW

36×9×8.2×14

 M8 ×55L


 


框架尺寸
形状h×W1×W2×W3×t

机高

全 長

福来轮中心距
P

弯道半径
R

单只福来轮承载(kg)

参考

 46.3×60×33×71×

1.6

2.3


52.3

1,800・2,400
3,000

50・75
100・150

1,000
1,200

40

千鸟型

交错型


公司介绍

案例介绍

联系我们

扫一扫加微信

好博(中国)股份有限公司 产品中心 案例介绍 一键拨打