
产品型号: W-36WW系列
产品名称:φ36福来轮 W-36WW千鸟型切削式流利条
切削式滚轮流利条使用切削滚轮、福来轮、滚筒等,形式多样。
>>说明
1.滚轮直径:φ36
2.可以根据客户要求定做。
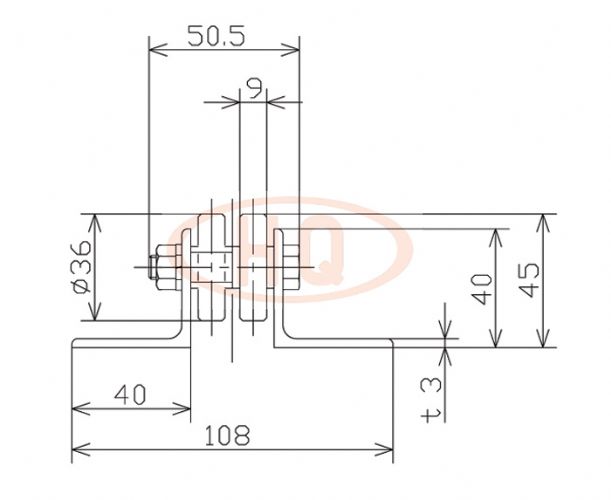
>>示意图

>>仕様表
(単位 mm)
型 号 | 福来轮尺寸 | 使用轴 |
W-36WW | 36×9×8.2×14 | M8 ×45L |
框架尺寸 | 机高 | 全 長 | 福来轮中心距 | 弯道半径 | 单只福来轮承载(kg) | 参考 |
40×108×40×50.5×3 | 45 | 1,000・2,000 | 30・40 | 1,000 | 40 | 千鸟型 交错型 |