
产品型号: W-50WW千鸟型切削轮流利条
产品名称:φ50福来轮 W-50WW千鸟型切削轮流利条
切削式滚轮流利条使用切削滚轮、福来轮、滚筒等,形式多样。
>>说明
1.滚轮直径:φ50
2.可以根据客户要求定做。
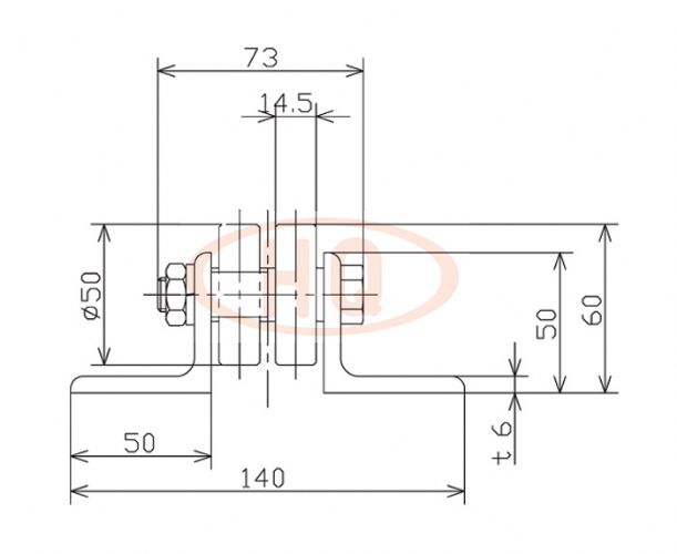
>>示意图


>>仕様表
(単位 mm)
型 号 | 福来轮尺寸 | 使用轴 |
W-50WW | 50×14.5×12.2×20 | M12 ×65L |
框架尺寸 | 机高 | 全 長 | 福来轮中心距 | 弯道半径 | 单只福来轮承载(kg) | 参考 |
50×140×50×73×6 | 60 | 1,000・2,000 | 40・50・75 | 1,000 | 100 | 千鸟型 交错型 |