
产品型号:W-28G
产品名称:铝合金流利条
铝合金流利条骨架是采用优质高强度铝合金挤压型材,滚轮等配件由工程塑料ABS或PS改性后注塑而成,颜色有黄、蓝、黑、灰、白色等。产品广泛应用于仓储设备领域,具有高强度自润滑耐压(每轴承重可达10kg)、抗冲击、寿命长等优点,有效地提高了仓储及分拣效率。
可根据客户的不同需求定制各种特殊规格的产品。
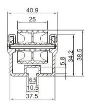
>>仕样表
(单位:mm)

>>示意图
W-28G(特型)

フレーム形状 | 機高 | 全 長 | ホイール間隔 | ホイール | フレーム | 備 考 |
35×42 | 42.5 | 1,000・2,000 | 30・45 | 10 | アルミ | ABS |