Ø76滚筒 R-7642滚筒输送机 辊道 无动力辊筒输送机使用案例
输送机的长度&宽度&高度&中心距可以按照客户的需求来定制
(以下图片为增强型脚)

侧面带护栏(一侧为A型角铁式护栏 一侧为B型圆管式护栏) 可以根据客户要求定做

末端带可动式D型挡板(方便取货和防止货物掉落)


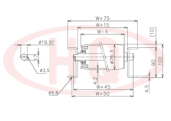
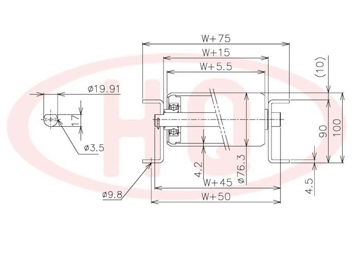
产品型号: R-7642N
产品名称:Ø76钢制滚筒自由输送机
>>说明
1.滚筒直径:Ø76mm(壁厚4.2mm)
2.支架: 90mm槽钢
3.幅宽: 100mm~1000mm
>>仕样表
(单位 mm)
| 滚 筒 幅 宽 W (mm) | 100 | 200 | 300 | 400 | 500 | 600 | 700 | 800 | 900 | 1,000 | ||
| 输送机幅宽 W+75 (mm) | 175 | 275 | 375 | 475 | 575 | 675 | 775 | 875 | 975 | 1,075 | ||
| 滚筒承重强度 (kg) | 720 | 680 | 640 | 600 | 600 | 572 | 544 | 516 | 488 | 460 | ||
| 输送机重量 3,000L (kg) | 150P | 43.1 | 56.6 | 70.0 | 83.5 | 96.9 | 110.4 | 123.8 | 137.2 | 150.7 | 164.1 | |
| 200P | 37.9 | 48.4 | 58.8 | 69.3 | 79.8 | 90.3 | 100.7 | 111.2 | 123.7 | 132.1 | ||
| 滚筒(含轴)重量 (kg) | 1.6 | 2.5 | 3.5 | 4.4 | 5.4 | 6.3 | 7.3 | 8.2 | 9.1 | 10.0 | ||
>>仕样表
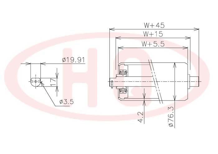
产品型号: R-7642N
产品名称:Ø76钢制滚筒自由输送机
>>说明
滚筒直径:Ø76mm(壁厚4.2mm)
支架: 90mm槽钢
幅宽: 100mm~1000mm
承重量: max约660kg
>>仕样表
(单位 mm)
| 滚 筒 幅 宽 W (mm) | 100 | 200 | 300 | 400 | 500 | 600 | 700 | 800 | 900 | 1,000 | ||
| 输送机幅宽 W+75 (mm) | 175 | 275 | 375 | 475 | 575 | 675 | 775 | 875 | 975 | 1,075 | ||
| 滚筒承重强度 (kg) | 660 | 623 | 585 | 550 | 550 | 550 | 520 | 488 | 456 | 425 | ||
| 输送机重量 3,000L (kg) | 100P | 68.1 | 93.7 | 119.3 | 144.9 | 170.5 | 196.1 | 221.7 | 247.3 | 272.9 | 298.5 | |
| 150P | 55.6 | 72.8 | 90.0 | 107.2 | 124.4 | 141.6 | 158.8 | 176.0 | 193.2 | 210.4 | ||
| 滚筒(含轴)重量 (kg) | 1.3 | 2.1 | 2.9 | 3.8 | 4.6 | 5.5 | 6.3 | 7.1 | 8.0 | 8.8 | ||
>>示意图




