

产品型号: W-4850D系列
产品名称:W-4850D滚筒式流利条
>>说明
1.滚筒流利条的滚轮使用对应的自由滚筒,承重量大。
2.滚轮直径:Ø38、Ø48、Ø57、Ø60
3.可以根据客户要求定做。
>>仕样表
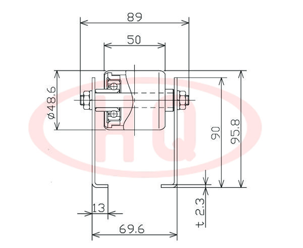
(单位:mm)
>>仕样表
(单位:mm)
| 区分 | 型 式 | 滚球尺寸 外径×幅宽×轴径×缝宽 D W d b | 使用轴 | 支架形状 形状h×W1×W2×W3×t | 机高 H | 全 长 L | 滚球间距 P | 回转半径 R | 标准色 | ||
| TS型 | W-3850D | 38×50×12×63 | 丸鋼 Ø12×89L | 60×69.6×10×89×2.3 | 67 | 1,800・2,400 3,000 | 50・75 100・150 | 1,000 1,200 | 绿色 | ||
| TS型 | W-4850D | 48×50×12×63 | 丸鋼 Ø12×89L | 90×69.6×13×89×2.3 | 95.5 | 1,800・2,400 3,000 | 50・75 100・150 | 1,000 1,200 | 绿色 | ||
| TS型 | W-5750D | 57×50×12×63 | 丸鋼 Ø12×89L | 90×69.6×13×89×2.3 | 100 | 1,800・2,400 3,000 | 75・100 150 | 1,000 1,200 | 绿色 | ||
| TS型 | W-6050D | 60×50×12×63 | 丸鋼 Ø12×89L | 90×69.6×13×89×2.3 | 101.5 | 1,800・2,400 3,000 | 75・100 150 | 1,000 1,200 | 绿色 | ||
>>示意图
