

产品型号:W-38TS
产品名称:Ø38福来轮 冲压式滚轮流利条
>>说明
1.冲压式滚轮流利条使用冲压滚轮、福来轮、滚筒等,形式多样。
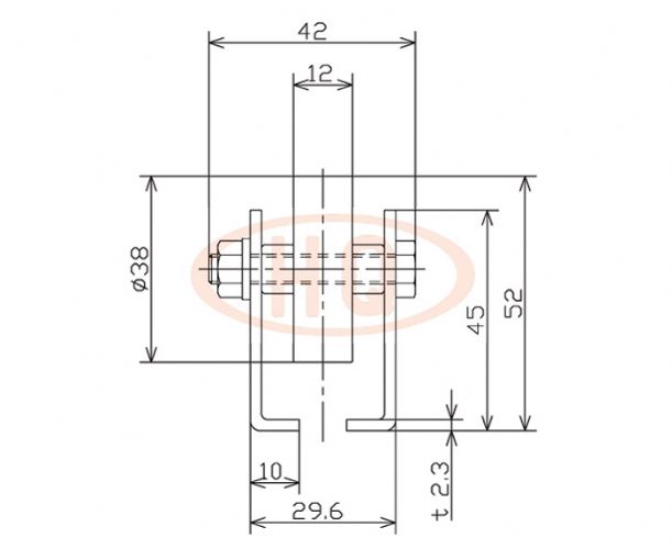
2.福来轮直径:Ø38mm,福来轮宽度:12mm,使用轴:M6*38L
3.福来轮承载:20kg
4.福来轮表面处理:电镀锌
5.可以根据客户要求定做。
>>示意图
>>仕样表
(单位:mm)
型 号 | 福来轮尺寸 | 使用轴 |
W-38TS | 38×12×6.5×25 | M6×38L |
框架尺寸 | 机高 | 全 長 | 福来轮中心距 | 弯道半径 | 单只福来轮承载(kg) | 参考 |
45×29.6× 10×42×2.3 | 52 | 1,800・2,400・3,000 | 50・75・100・150 | 1,000 /1,200 | 20 |