
产品型号: Type60-VI
产品名称:60型槽型直线皮带输送机
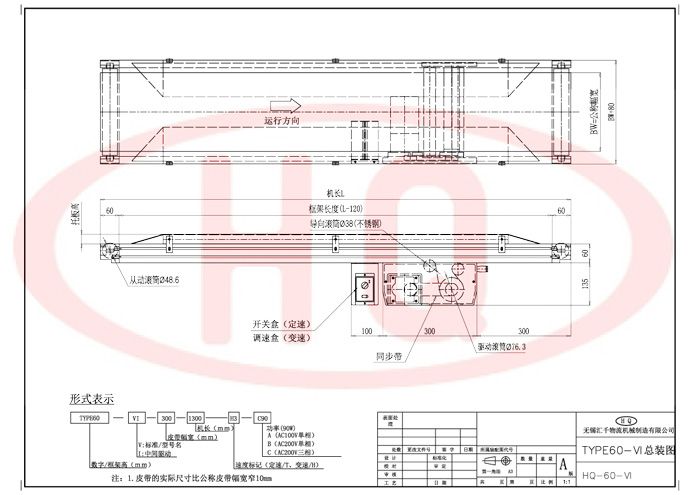
使用60mm铝合金型材支架,皮带传送、中间驱动,直线输送,驱动部位于皮带上方,皮带两侧有导板,皮带角度成V字型,防止输送的小物品滑落,适用传送零散、不规则物品。
>>说明
1.定速:1.9~45m/min
2.变速:0.15~50m/min
3.幅宽: 200mm~600mm
4.搬送能力: max约50kg(水平分散荷重时)
>>仕様
选型标记方法
标准式样(单位:mm)

| 机高 | 195 | 电源 | AC100V(单相),AC200V(单相),AC200V(三相) | |||||||
| 皮带速度 | 定速,变速 | 皮带材质 | PVC皮带(标准),PU带 | |||||||
| 电机功率 | 90W | 附属件 | 脚,护栏,其它… | |||||||
搬送能力(定速)

皮带速度表
| 減 速 比 | 速度記号 | 定速(m/min) 50/60Hz | 速度記号 | 変速(m/min) 50・60Hz | |||||
| 1/180 | T1 | 1.9/2.3 | H1 | 0.13~2.5 | |||||
| 1/150 | T2 | 2.3/2.7 | H2 | 0.15~3.0 | |||||
| 1/120 | T3 | 2.8/3.4 | H3 | 0.19~3.8 | |||||
| 1/100 | T4 | 3.4/4.1 | H4 | 0.23~4.5 | |||||
| 1/90 | T5 | 3.8/4.5 | H5 | 0.26~5.1 | |||||
| 1/75 | T6 | 4.6/5.5 | H6 | 0.31~6.1 | |||||
| 1/60 | T7 | 5.7/6.8 | H7 | 0.38~7.6 | |||||
| 1/50 | T8 | 6.8/8.2 | H8 | 0.46~9.1 | |||||
| 1/36 | T9 | 9.5/11.4 | H9 | 0.63~12.6 | |||||
| 1/30 | T10 | 11.4/13.7 | H10 | 0.76~15.2 | |||||
| 1/25 | T11 | 13.7/16.4 | H11 | 0.91~18.2 | |||||
| 1/18 | T12 | 19.0/22.8 | H12 | 1.27~25.3 | |||||
| 1/15 | T13 | 22.8/27.3 | H13 | 1.52~30.4 | |||||
| 1/12.5 | T14 | 27.3/32.8 | H14 | 1.82~36.4 | |||||
| 1/9 | T15 | 37.9/45.5 | H15 | 2.53~50.6 | |||||
>>示意图

